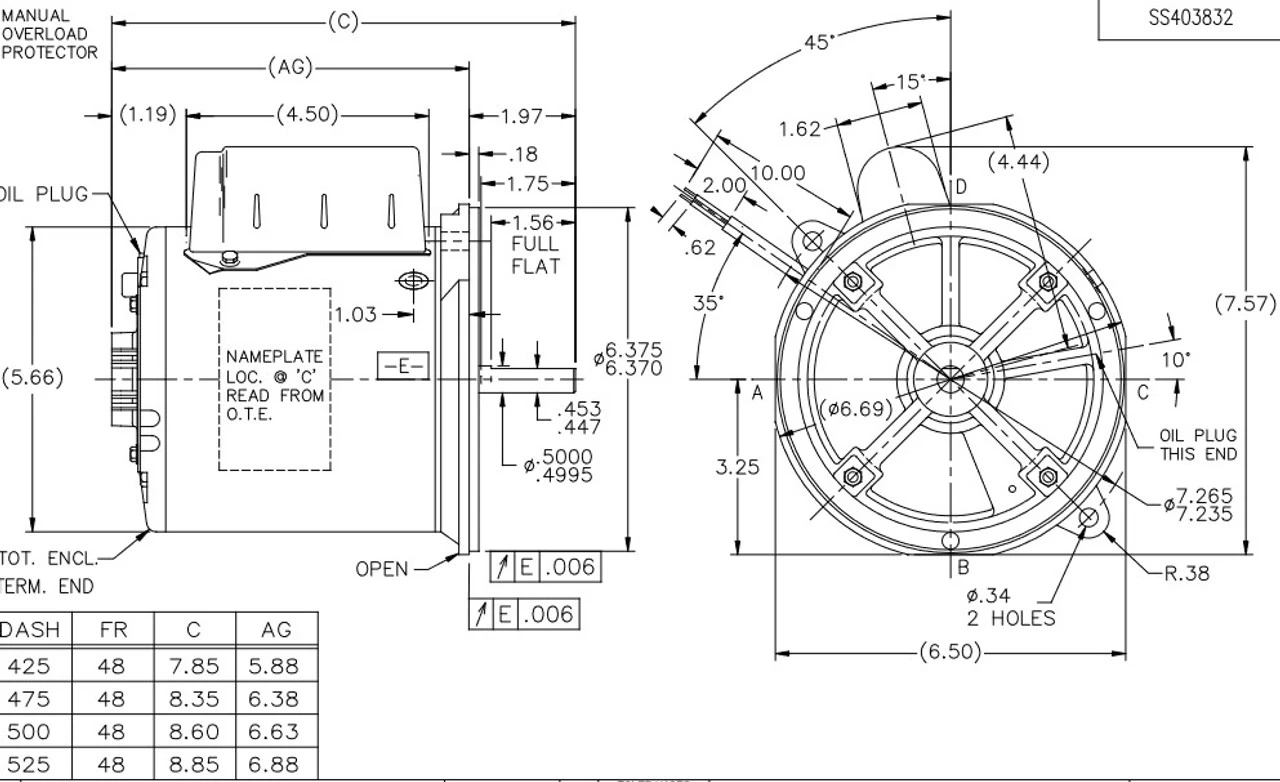
- 1/5 hp 3450 RPM, 3.0/1.5 amps, 115/230 Volts 60 Hz, Capacitor Start, Oil Burner Mount
- NEMA 48N Frame Shaft 2″ x 1/2″ Diameter, 1 speed
- Service Factor = 1.0, Thermal Protection = Manual
- Reversible, Ball Bearings, Class B insulation
- 1 Year Manufacture Warranty
Direct replacement for motors in oil burning furnaces. TENV = Totally Enclosed Non-Ventilated 048C34S24

















Reviews
There are no reviews yet.