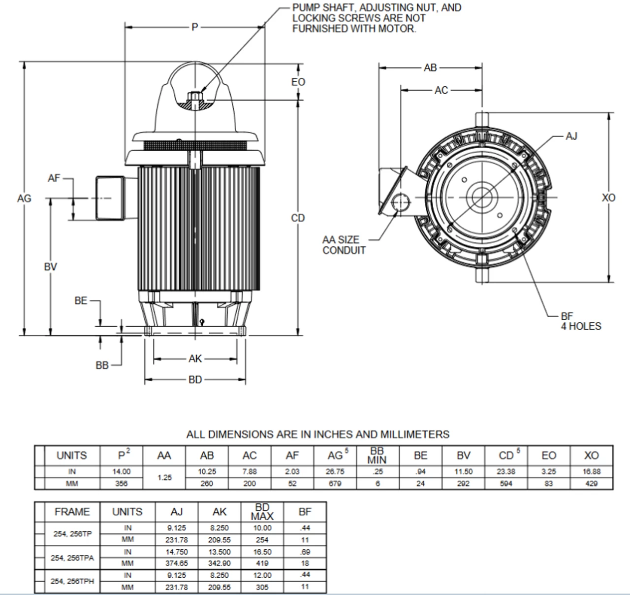
- 20 HP 1800 RPM, 47.0/24.0 amps, 230/460V 60 Hz. 3-Phase Inverter Duty
- NEMA 256TPH Frame, AUSI type, 12″ Dia. Base
- 1.15 Service Factor, Class F insulation, Thermal Protection: None
- Non-Reversible Ratchet Rotation, Weather Protected Enclosure
- P-Base Mounting, Ball Bearings, High Thrust
Vertical pump motor for use on turbine, mix flow, and propeller pumps. 1 Year Manufacture Warranty. FB97













Reviews
There are no reviews yet.