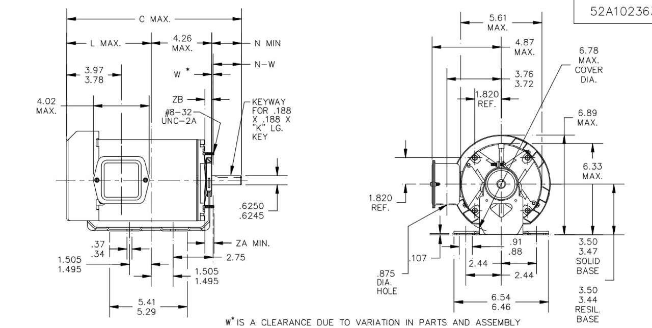
- 1/3 hp 1800 RPM, 5.9 amps, 115 Volts 60 Hz,Split Phase
- NEMA 56 Frame Keyed Shaft 1 7/8″ x 5/8″ Diameter, 1 speed
- Service Factor = 1.0, Thermal Protection = Auto
- Resilient Base, Reversible, Ball Bearings, Class B insulation
- 1 Year Manufacture Warranty
Blower motors are used to blow air inside of buildings. Shaft may be vertical or horizontal. TEFC = Totally Enclosed Fan-Cooled. 5KH35MN56X

















Reviews
There are no reviews yet.