- 1/10 hp, 7 RPM, 2.6 amps, 115 volts 60hz.
- Motor With Ratchet Pawl-Type Brake
- Run Torque 113 inch pounds
- Over Hung Pounds = 150
This is how much weight can hang directly down off the shaft before it will be damaged internally - Rotation – CW Facing Shaft
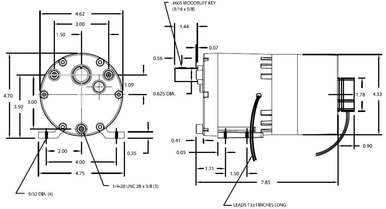
- Shaft: 5/8″ x 7/16″
- UL and CSA Recognized
- One Year Manufacture Warranty
Direct Replacement for the following models
Dayton 1L489
Von Wiese V00323AL08











Reviews
There are no reviews yet.