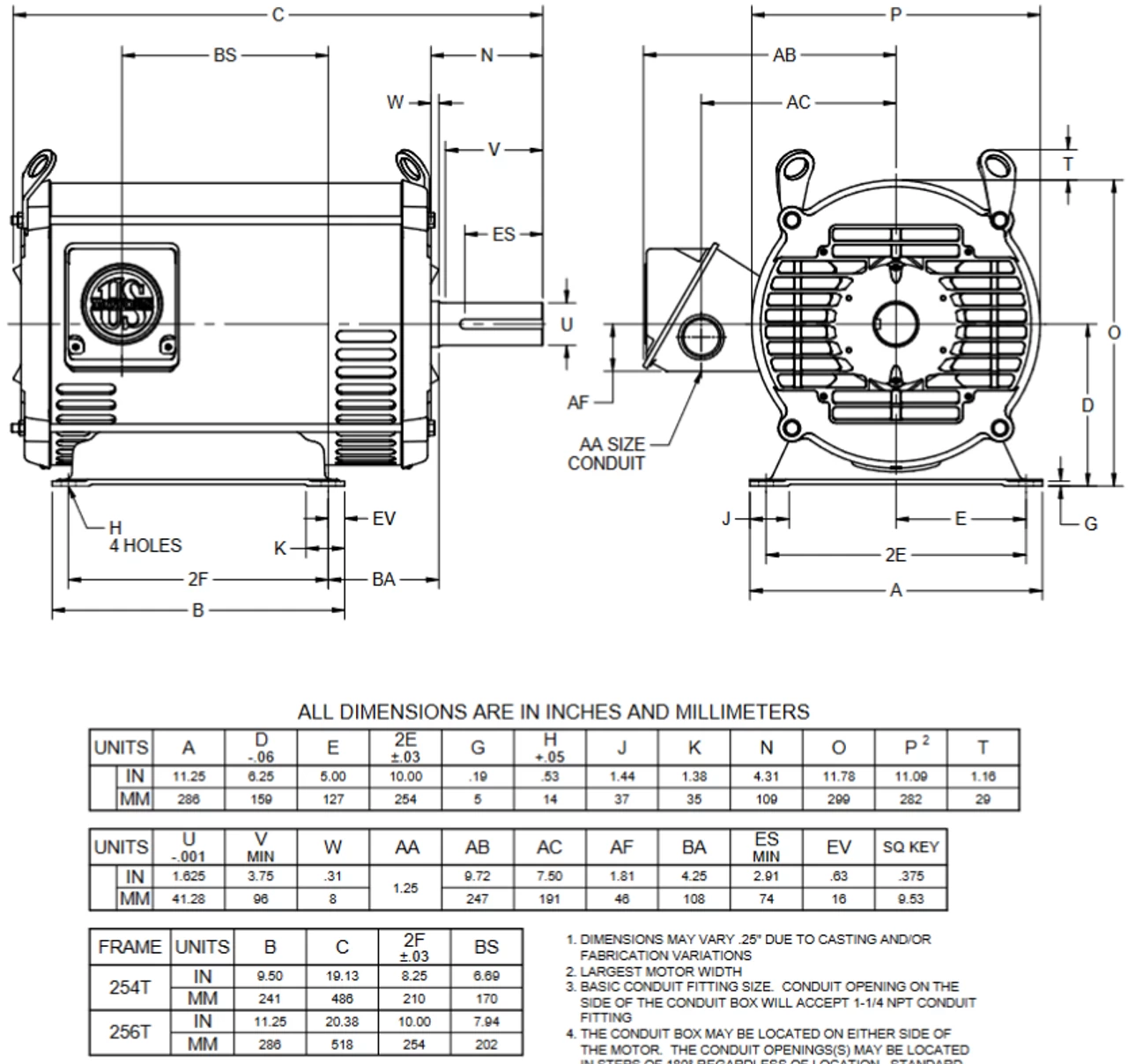
- 7 1/2 hp 1200 RPM, 18.9/9.5 amps 230/460 Volts 60 Hz Three Phase Motor
- NEMA 254T Rolled Steel Frame with Cast Aluminum End Bells, Keyed Shaft 1 5/8″ Diameter x 4″
- Service Factor: 1.15 Overload protection = None
- C-Face Mount, Ball Bearings, Class F Insulation, Reversible
- 1 Year Manufacture Warranty
Speed controllable motor for material handling, pumps, and fans, in normal environments. 5:1 speed range at constant torque, 20:1 at variable torque. NEMA design B. Brake provisions. Wiring diagram on motor name plate. ODP = Open Drip-Proof. HD41













Reviews
There are no reviews yet.