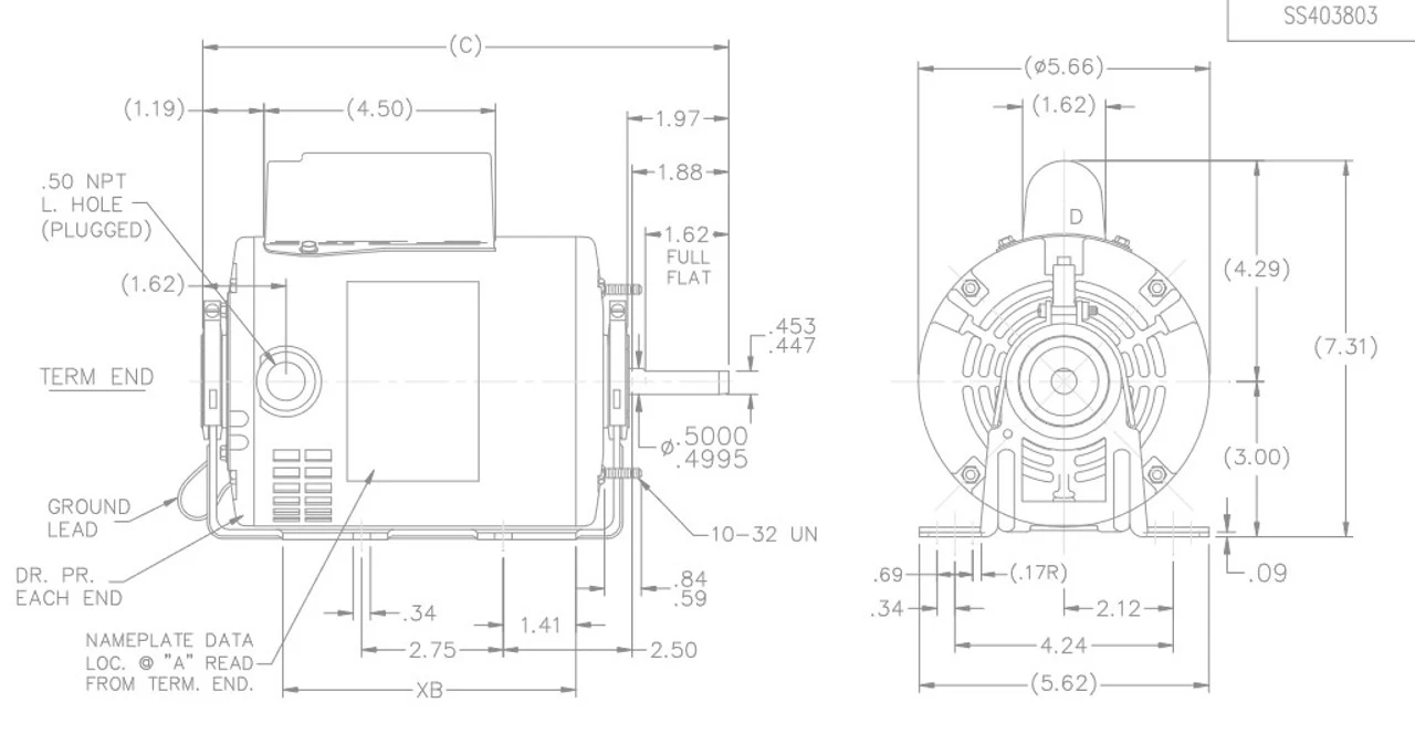
- 1/3 hp 1800 RPM, 5.8/2.9 amps, 115/230 Volts 60 Hz, Capacitor Start
- NEMA 48Z Frame Flat Shaft 2″ x 1/2″ Diameter, 1 speed
- Service Factor = 1.35, Thermal Protection = Auto
- Resilient Base, Reversible, Ball Bearings, Class B insulation
- 1 Year Manufacture Warranty
Blower motors are used to blow air inside of buildings. Shaft may be vertical or horizontal. ODP = Open Drip Proof. 048C17D2055

















Reviews
There are no reviews yet.